



Applications
• WCDMA Linear Power Amplifier
Features
• Coaxial Resonator Designs
• Low Insertion Loss
• Delay Flatness
Specifications
|
Parameter |
Specification |
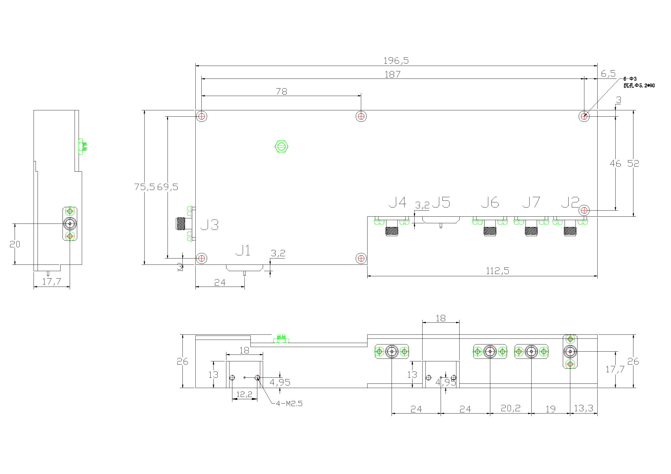
Connector port |
|
Frequency (MHz) |
2090~2190 |
|
|
Insertion Loss (dB)( max) |
1.0 |
(J1-J2) |
|
Insertion loss flatness(dB)( max) |
±0.1 |
(J1-J2) |
|
Filter group delay (ns)@2140MHz |
9.5 |
(J1-J2)-(J5-J2) |
|
Filter group delay deviation (ns)@2140MHz |
±0.1 |
(J1-J2)-(J5-J2) |
|
Insertion phase deviation (°) @2140MHz(max) |
±2 |
(J1-J2)-(J5-J2) |
|
Insertion phase flatness相(°)(max) |
±0.5 |
(J1-J2)-(J5-J2) |
|
Coupler 1 coupling (dB) |
30±0.2 |
(J1-J3) |
|
Coupler 1 coupling flatness (dB)(max) |
±0.1 |
(J1-J3) |
|
Insertion phase deviation(°)@ 2140MHz(max) |
±2 |
(J1-J3) |
|
Insertion phase flatness (°)(max) |
±0.5 |
(J1-J3) |
|
Coupler 1 directivity (dB) (min) |
20 |
(J3-J2) |
|
Coupler 2 coupling (dB) |
10.2±0.2 |
(J5-J2) |
|
Coupler 2 coupling flatness (dB)(max) |
±0.1 |
(J5-J2) |
|
Insertion phase deviation (°)@2140MHz(max) |
±2 |
(J5-J2) |
|
Insertion phase flatness (°)(max) |
±0.5 |
(J5-J2) |
|
Coupler 2 directivity (dB)(min) |
23 |
(J5-J1) |
|
Att1 attenuation (dB) |
32±0.5 |
(J5-J4) |
|
Att1 attenuation flatness (dB) |
±0.2 |
(J5-J4) |
|
Coupler 3 coupling (dB) |
30±0.2 |
(J1-J6) |
|
Coupler 3 coupling flatness (dB)(max) |
±0.1 |
(J1-J6) |
|
Insertion phase deviation (°)@2140MHz(max) |
±2 |
(J1-J6) |
|
Insertion phase flatness (°)(max) |
±0.5 |
(J1-J6) |
|
Coupler 3 directivity (dB)(min) |
20 |
(J6-J2) |